QUARTZ FLEXIBLE ACCELEROMETER JB5

Category:

Description

KT-JB5 series quartz flexible accelerometer is a middle grade precision accelerometer with unique structural size (short) design. The product has excellent long-term stability, repeatability, dynamic response performance, good vibration and impact resistance and high reliability. It can be used for static and dynamic testing, and is also a standard vibration sensor and inclination sensor.
The product adopts a unique structural design and special circuit, the product output current and the force or acceleration is linear relationship, users can choose the appropriate sampling resistance through calculation, to achieve high precision output. And according to user needs built-in temperature sensor, used to offset value and scale factor compensation, reduce the impact of environmental temperature.
Applications: bridge, dam, oil well, coal mine dip test, high-speed railway control, ship stability control.
Features:
1. Tactical navigation grade performance
2. Analog output
3. Field-adjusting range
4. Size is smaller

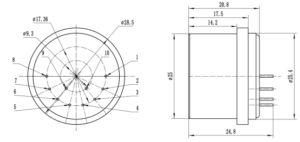
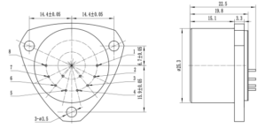
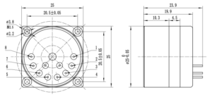
                                                     C type outline drawing

The pin name :1, signal output; 2, N; 3. -15V; 4. +15V; 5, power supply and signal ground; 6, N; 7, N; 8, N; 9, -9V output; 10. +9V output

Performance characteristics

S/No Parameters KT-JB5-01 KT-JB5-02 KT-JB5-03
1 Range ±50g ±50g ±50g
2 Threshold /Resolution <5µg <5µg <5µg
3 Bias k0/k1 <5mg <7mg <10mg
4 Scale factor kl 1.1~1.3 mA/g 1.1~1.3 mA/g 1.1~1.3 mA/g
5 Class II nonlinearity
Coefficient k2/k1
≤±20μg /g2 ≤±20μg /g2 ≤±20μg /g2
6 Bias drift
Sigma k0( 1σ,one month)
<30µg <50µg <80µg
7 repeatability of scale factor
Sigma kl/kl( 1σ,one month)
<50 ppm <80 ppm <100 ppm
8 Class II nonlinearity
Coefficient repeatability k2/k1(1σ,one month)
≤±20 μg /g2 ≤±20 μg /g2 ≤±20 μg /g2
9 Bias thermal coefficient <20µg/℃ <30µg/℃ <40µg/℃
10 Scale factor thermal coefficient <40ppm <50ppm <80ppm
11 Noise (sample resistance 840Ω) ≤5mv ≤5mv ≤5mv
12 Bandwidth >300 Hz >300 Hz >300 Hz
13 Vibration Rectification <30µg/g2rms (50-500Hz) <30µg/g2rms (50-500Hz) <30µg/g2rms (50-500Hz)
14 Vibration 20g@20-2000Hz 20g@20-2000Hz 20g@20-2000Hz
15 Shock 250g  4.5ms 250g  4.5ms 250g  4.5ms
16 Install error <1500µrad <1500µrad <1500µrad
17 Temperature range(Operating) -55~96℃ -55~96℃ -55~96℃
18 Power ±13 ~±18V ±13 ~±18V ±13 ~±18V
19 Consume current <20 mA <20 mA <20 mA
20 Temp. sensor Option Option Option
21 Size Ф25X25mm Ф25.3X23mm Ф25X24mm
22 Weight ≤55g ≤55g ≤55g
23 Temperature sensor (AD590LF) Option Option Option

DISCLAIMER: Specifications are subject to change without notice.  KT reserves the right to make changes to any product or technology herein to improve reliability, function or design.

 

Reviews

There are no reviews yet.

Be the first to review “QUARTZ FLEXIBLE ACCELEROMETER JB5”

Your email address will not be published. Required fields are marked *