Description
KT-JB 4 series quartz flexible accelerometer is a high temperature and anti-vibration accelerometer, the product has excellent repeatability, starting performance, high temperature and high reliability characteristics, it can be used for static testing and dynamic testing, it is also a standard vibration sensor.
Products adopt unique high temperature design, packaging process and special circuit, product output current is proportional to the measured acceleration, the user can calculate the appropriate sampling resistance, achieve high precision output, and according to the user demand built-in temperature sensor, used for the partial value and scale factor compensation, reduce the influence of environmental temperature. QA 650, T185, T160, JAE series products can be replaced in situ, but we adopt double torque structure, it is different from other company products. We can make the accelerometer bias value and scale factor more stable, it is launch since 2010, this product has delivered thousands of products. After years of application, it has become a mature product, especially a large number of applications in the drilling measurement of oil drilling
Application fields: inclination test of bridge, dam, oil well, coal mine, etc., high-speed railway control, ship stability control, etc.

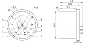
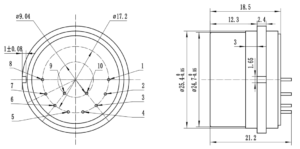
JB4-01 Outside Drawing

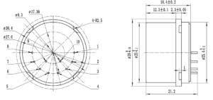
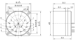
JB4-02A and JB4-03A Outside Drawing

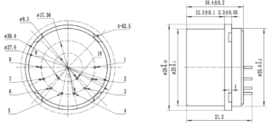
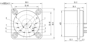
JB4-02B and JB4-03B Outside Drawing -B type1

JB4-03B and JB4-03B Outside Drawing-B type2

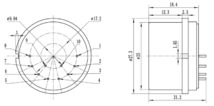
JB4-02C and JB4-03C Outside Drawing

JB4-02D and JB4-03D Outside Drawing

Performance characteristics
| S/No | Parameters | JB4-01 | JB4-02 | JB4-03 |
| 1 | Input range (g) | ±30g | ±30g | ±30g |
| 2 | Bias (mg) | <10mg | <15mg | <15mg |
| 3 | One-month composite repeatability (µg) | <50µg | <200µg | <200µg |
| 4 | Temperature sensitivity (µg/℃) | <50µg/℃ | <100µg/℃ | <100µg/℃ |
| 5 | Scale factor (mA/g) | 1.1~1.3 mA/g | 1.1~1.3 mA/g | 1.1~1.3mA/g |
| 6 | One-month composite,repeatability (ppm) | <80 ppm | <150 ppm | <150 ppm |
| 7 | Temperature sensitivity (ppm) | <100ppm | <200ppm | <200ppm |
| 8 | Axis misalignment (µrad) | <1500µrad | <1500µrad | <1500µrad |
| 9 | Vibration rectification (µg/g2rms) | <30µg/g 2rms (50-500Hz) | <100µg/g 2rms (50-500Hz) | <100µg/g 2rms (50-500Hz) |
| 10 | Intrinsic noise (µg-rms) | <3000µg-rms (0-10000Hz) | <3000µg-rms (0-10000Hz) | <3000µg-rms (0-10000Hz) |
| 11 | Operating temperature range (℃) | -55~96℃ | -55~155℃ | -55~180℃ |
| 12 | Shock (g) | 500 g 0.5ms | 1000 g 0.5ms | 1000 g 0.5ms |
| 13 | Vibration peak sine (g) | 25 g @30-500Hz | 25 g @30-500Hz | 25 g @30-500Hz |
| 14 | Resolution /threshold (µg) | <10µg | <10µg | <10µg |
| 15 | Bandwidth (Hz) | >300 Hz | >300 Hz | >300 Hz |
| 16 | Quiescent current per supply (mA) | <20 mA | <20 mA | <20 mA |
| 17 | Quiescent power (mW)@ ±15VDC | <480 mW | <480 mW | <480 mW |
| 18 | Input voltage | ±13 to ±18V | ±13 to ±18V | ±13 to ±18V |
| 19 | Weight (grams) | <55g | <55g | <55g |
| 20 | Diameter below mounting surface | Ф25mm | Ф25mm | Ф25mm |
| 21 | Height-bottom to mounting surface (inches) | <21.5mm | <21.5mm | <21.5mm |
| 22 | Case material | 300 series stainless steel | 300 series stainless steel | 300 series stainless steel |
| 23 | Temperature sensor (AD590LF) | Option | Option | Option |
DISCLAIMER: Specifications are subject to change without notice. KT reserves the right to make changes to any product or technology herein to improve reliability, function or design.





Reviews
There are no reviews yet.