Quartz Flexible Accelerometer JB2

This high-performance accelerometer features high sensitivity, stable output and shock resistance. Widely used in industrial vibration monitoring, vehicle testing, mechanical equipment and motion detection with long-term reliable operation.

Category:

Description

KT-JB2 series quartz flexible accelerometer is a high-precision inertial navigation level accelerometer for a large number of military applications (up to 100g). The product has excellent long-term stability, repeatability, start-up performance, environmental adaptability and high reliability, which can be used for static test or dynamic test. It is also a standard vibration sensor and inclination sensor.
The output current of the product has a linear relationship with the force or acceleration received. Users can select the appropriate sampling resistance through calculation to achieve high precision output. And according to user needs built-in temperature sensor, used to offset value and scale factor compensation, reduce the impact of environmental temperature.
Applications: inertial measurement of military high-precision inertial navigation system in aerospace, aviation, ships, weapons and other fields and precision instrument equipment vibration isolation test and inclination test.

Features

1. Excellent turn-on repeatability performance
2. Environmentally rugged
3. Analog output
4. Field adjustable range
5. Internal temperature sensor for thermal compensation(option)
6. High range(100g)

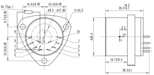
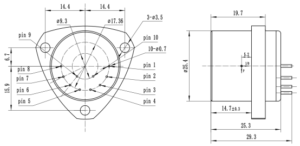
Configuration Drawing and interface 

 

Mark: The temperature sensor is AD590; Point 10 is the high power. The point 9 is the low power. The point 9 and power ground use one platinum resistance; the value is 1K, the thermal coefficient is less than 5ppm.

Performance characteristics

S/No Parameters JB2-01 JB2-02 JB2-03
1 Range ±70g、±100g ±70g、±100g ±70g、±100g
2 Threshold /Resolution 5μg 5μg 5μg
3 Bias k0/k1 ≤±3 mg ≤±3 mg ≤±5 mg
4 Scale factor kl 0.8~1.2 mA/g 0.8~1.2 mA/g 0.8~1.2 mA/g
5 Class II nonlinearity
Coefficient k2/k1
≤±10μg /g2 ≤±15μg /g2 ≤±20μg /g2
6 0g 4 hours short time stability ≤10 μg ≤10μg ≤10 μg
7 1g 4 hours short time stability ≤10 ppm ≤10 ppm ≤10 ppm
8 Bias drift
Sigma k0( 1σ,one month)
≤10 μg ≤15 μg ≤25 μg
9 repeatability of scale factor
Sigma kl/kl( 1σ,one month)
≤15ppm ≤20 ppm ≤30 ppm
10 Class II nonlinearity
Coefficient repeatability k2/k1(1σ,one month)
≤±10 μg /g2 ≤±10 μg /g2 ≤±10 μg /g2
11 Bias thermal coefficient ≤±10 μg /℃ ≤±20 μg /℃ ≤±30 μg /℃
12 Scale factor thermal coefficient ≤±20 ppm /℃ ≤±30 ppm /℃ ≤±50 ppm /℃
13 Noise (sample resistance 840Ω) ≤5mv ≤5mv ≤5mv
14 Natural Frequency 400~800 Hz 400~800 Hz 400~800 Hz
15 Bandwidth 800~2500 Hz 800~2500 Hz 800~2500 Hz
16 Vibration 6g(20-2000Hz) 6g(20-2000Hz) 6g(20-2000Hz)
17 Shock 100g,8ms,1/2sin 100g,8ms,1/2sin 100g,8ms,1/2sin
18 Temperature range(Operating) -55~+85℃ -55~+85℃ -55~+85℃
19 Temperature range(saved) -60~+120℃ -60~+120℃ 60~+120℃
20 Power ±12~±15V ±12~±15V ±12~±15V
21 Consume current ≤±20mA ≤±20mA ≤±20mA
22 Temp. sensor Option Option Option
23 Size Ф25.4X30mm Ф25.4X30mm Ф25.4X30mm
24 Weight ≤80g ≤80g ≤80g

DISCLAIMER: Specifications are subject to change without notice.  KT reserves the right to make changes to any product or technology herein to improve reliability, function or design.

 

Reviews

There are no reviews yet.

Be the first to review “Quartz Flexible Accelerometer JB2”

Your email address will not be published. Required fields are marked *